
А эти болты с двумя отверстиями, я вообще видеть не могу - ненавидел с ними работать, ну когда они правильно стоят - посажены шляпкой в переднее ухо, нынешняя конструкция больше нравится. А тебе можно было просто хороший болт на 16 поставить, в каком нибудь крепеже купить, а не придумывать с этими ужасными болтами, про ключ от болгарки здорово придумал.
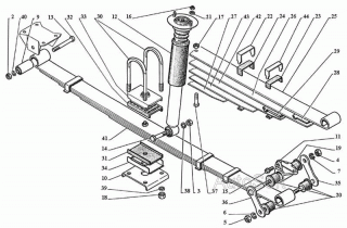
Aleksey писал(а):А я сегодня сходил специально в магазин, смотрю, с одной стороны рессоры запресован салентблок, а с другой стороны ничего нет, я так понял под втулки. И продавец меня уверял, что с задней стороны никаких салентблоков не стояло, только втулки. Неужели ни у кого нет каталога запчастей с рисунками?
Slayer писал(а):на 3111 рессоры длиннее, к сведению.

SERGEY писал(а):С завода не стояло!! это да, но мы купили 6 листовые новые 2 года назад и там были сайленты везде!! спереди 14 сзади 16.

Предположения только связанны либо с литыми дисками (их вес) на новой резине, либо выбитой заглушкой резонатора. Но ни тут, ни там не могу объяснить такое снижение расхода почти на 1л. со 100км пробега.





Сейчас этот форум просматривают: нет зарегистрированных пользователей и гости: 6