Надеюсь по фотке понятно, как соединять провода.
переходник в таком виде даёт работу всех режимов стеклоочистителя, кроме режима с паузой.
После подключения выяснилось, что в этом переходнике не хватает ещё одного провода, который необходим для того, чтобы дворники всегда возвращались в исходное положение.
Поэтому дорисовал его в пэинте.
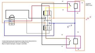
Чтобы заработал режим с паузой нужно, чтобы два оставшихся не задействованных контакта, расположенных по краям большой колодки при включении режима паузы замыкались на чёрный провод (см.фото).
Делаем это с помощью двух реле. (впоследствии выяснилось, что достаточно замкнуть один любой из этих проводов на чёрный, чтобы всё работало. И реле тоже хватит одной, но я для уверенности решил делать две, чтобы замыкались все контакты, как в родном переключателе 3110.)
Для активации реле необходимо питание. На схеме дальше дорисовал, где можно взять "+" для релюхи.
ну и начинаем делать переходник.
Подключив всё получаем полнофункциональный переключатель стеклоочистителя.
Результат.
Мне нравится. Всё аккуратно и красиво выглядит в сравнении с тем, что раньше было. Не привычно только переключатель поворотов (по ощущениям) чуть дальше от баранки расположен и переключается жёстче (но это сновья наверное). Руль удобный. И в диаметре он, кстати меньше. Родной 3110 - 40 см, а новый рестайлинговый чуть меньше 39 см. Зато обод потолще.
Теперь что вышло по стоимости всего этого.
Показать текст
Кажется всё.
вроде оно того стОит!















